Product Support
Acuvim II Installation Guide
Voltage and Current Connection
The Acuvim II can be installed using some of the common installation methods shown below along with their respective meter configurations. For other installation methods not mentioned here, please consult the Acuvim II Series Power Meter User Manual.
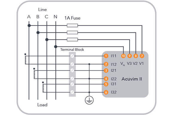
Three Phase: 4 wire-connection (Three phase with a neutral)
Direct voltage connection is used if the system voltage is lower than 400V LN or 690V LL. The connection diagram is shown in Figure 1.
Figure 1: Meter Configuration: 3LN, 3CT
With Potential Transformers (PTs)
PTs are required if the system voltage is higher than 400V LN or 690V LL. The connection diagram is the same as the direct voltage connection seen in Figure 1, with the exception of the PT connections for the voltage lines. The PTs should be connected as shown in Figure 2.
Figure 2: Meter configuration: 3LN, 3CT
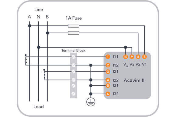
Three Phase:3 wire-connection (Three phase without a neutral)
The configuration will be the same as the three phase 4-wire direct voltage connection shown in Figure 1, with the exception of a neutral connection. The direct voltage connection is used if the system voltage is lower than 690V LL.
Figure 3: Meter Configuration: 3LL, 3CT
With Potential Transformers (PTs)
PTs are required if the system voltage is higher than 690V LL. Instead of connecting the voltage lines directly to the meter as shown in Figure 3, the voltage lines are connected to the meter using PTs. The PTs should be connected as shown in Figure 4. Two PTs are required for this connection.
Figure 4: Meter configuration: 2LL, 3CT
Single Phase: 2 Lines (Single phase with one line and a neutral)
Figure 5: Meter Configuration: 1LN, 1CT (Firmware above 3.01); 3LN, 3CT (Firmware below 3.01)
Single Phase: 3 Lines (Single phase with 2 lines and a neutral)
Figure 6: Meter Configuration: 1LL, 2CT (Firmware above 3.01); 3LN, 3CT (Firmware below 3.01)
Power Supply Connection
Figure 7: Power Supply Connection
This will be connected based on the two power supply options available:
- The standard option: 100-415Vac, 50/60Hz or 100-300Vdc
- The low voltage DC option: 20-60Vdc

